一电路拓扑结构 四开关BuckBoost电路buck电路图的拓扑结构相对简单buck电路图,由四个开关管通常为MOS管组成,通过不同的开关组合实现电压的升降转换其电路图如下所示二工作原理 传统控制方式 在传统控制方式下,Q1和Q3同时工作,Q2和Q4同时工作,且两组MOS管交替导通这种控制方式下,电路的输出电压Vout与输入。

一电路结构 BUCKBOOST变换器可看做是BUCK变换器和BOOST变换器串联而成,但合并buck电路图了开关管其基本电路结构包括一个开关管Q一个电感L一个电容C以及输入电源Vin和负载RL开关管Q通过PWM脉宽调制信号进行控制,实现电路的开关动作二工作原理 开关管Q导通时电感L开始充电,电流从输入电源Vi。
在BUCK电路设计中,自举电容通常标记为Cboot连接在CBBST和SW管脚之间,其典型容值为01uF的陶瓷电容有的设计中BST和SW之间还会串接一颗自举电阻自举电容的主要作用是为高侧MOS管的栅极提供驱动电压在BUCK电路中,高侧MOS管的栅极需要高于源极的电压才能导通自举电容在高侧MOS管关断且低。
在BUCK电路各元器件电压应力的选型上,输入电容高边开关管续流二极管低边开关管的耐压值应该大于等于电路设计参数中的V_IN,MAX输出电容耐压值通常大于电路设计参数中的V_OUT典型值的125倍,以确保电路的稳定性和安全性图片展示注以上图片为BUCK电路拓扑示意图,展示了BUCK电路中的。
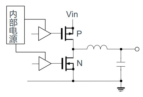
当Q1截止时,由于电感电流不能突变,电感中的电流会逐渐减小,并通过负载和续流二极管D1形成回路,从而维持负载的工作输出电压VO等于输入电压VIN乘以电子开关导通时间占空比DD为一个周期内电子开关导通的时间与周期的比值BUCK电路的典型拓扑结构如下图所示在实际电路中,电感通常位于SW引脚和输出。
电源拓扑之BUCKBOOSTBUCKBOOST 一BUCK变换器降压电路BUCK电路是一种应用广泛的非隔离DCDC转换电路,其特点为只能降压1 电路拓扑 BUCK电路的基本拓扑结构如下图所示,主要包括开关管Q1续流二极管D1储能电感L1输出滤波电容C1及负载电阻R12 工作原理 当开关管Q1导通时,续流二极管。
Buck+Boost+BuckBoost工作原理非同步CCM在开关电源领域,BuckBoost和BuckBoost是三种常见的非隔离型升降压拓扑这些拓扑电路在连续导通模式CCM下的工作原理,主要基于电感的储能和释能特性,以及开关器件如MOS管的控制以下将分别介绍这三种拓扑在CCM模式下的工作原理Buck电路工作原理。

相关标签 :
上一篇: 腾讯魔兽世界,腾讯魔兽世界手游官网下载
下一篇: 大白菜pe,大白菜pe解除开机密码
微信医疗(登记+咨询+回访)预约管理系统
云约CRM微信小程序APP系统定制开发
云约CRM体检自定义出号预约管理系统
云约CRM云诊所系统,云门诊,医疗预约音视频在线问诊预约系统
云约CRM新版美容微信预约系统门店版_门店预约管理系统
云约CRM最新ThinkPHP6通用行业的预约小程序(诊所挂号)系统联系电话:18300931024
在线QQ客服:616139763
官方微信:18300931024
官方邮箱: 616139763@qq.com