AVR单片机最小系统是基于AVR微控制器构建avr单片机最小系统的基础硬件平台avr单片机最小系统,通常用于学习开发和测试目的在这个系统中,我们关注的核心是ATmega16芯片,这是avr单片机最小系统;单片机的电路电源电路电源的电路的说明最小系统板实验模板9 人的价值,在招收诱惑的一瞬间被决定七月21七月21Tuesday, July 06。

avr单片机c语言最小系统板的设计,avr单片机c语言最小系统板的设计,avr单片机c语言最小系统板的设计。
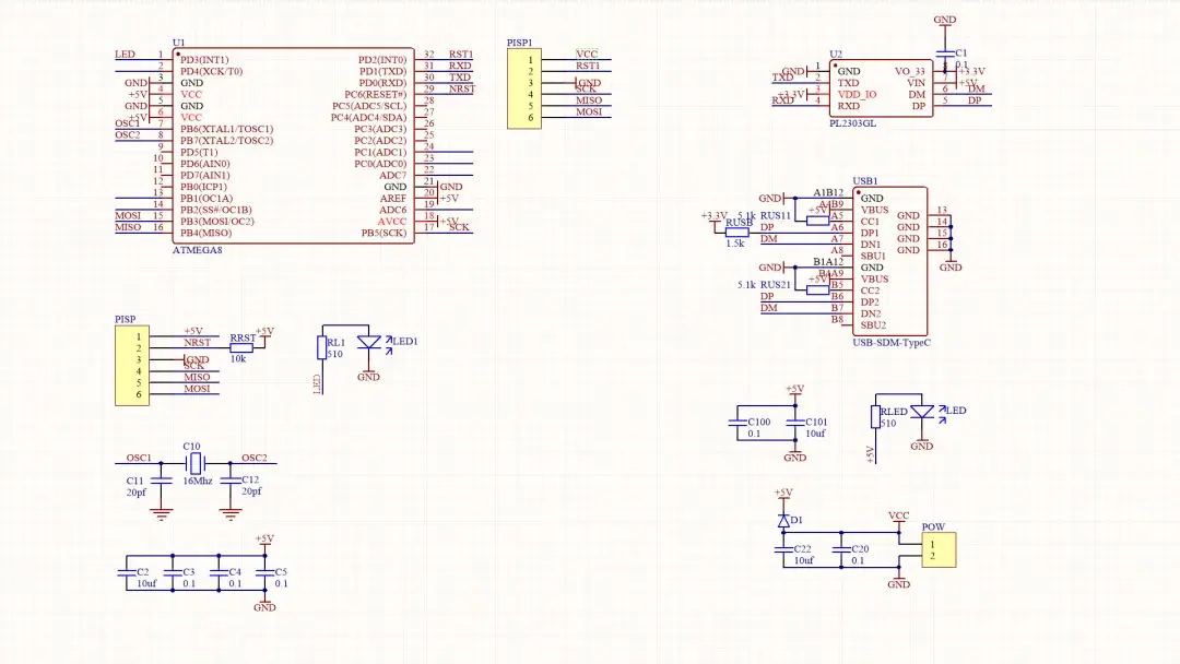
AVR单片机最小系统原理图解析 #### 一AVR单片机简介 AVRAdvanced Virtual RISC单片机是一种基于RISCReduced Instruction Set Computing,精简。
本视频讲解avr单片机最小系统了关于单片机最小系统的搭建过程以及各电路作用,希望对大家有所帮助欢迎大家加入AC创客技术资源交流群,群号502或者在微信。
![]()
相关标签 :
上一篇: 多线程技术,多线程技术有哪些?
微信医疗(登记+咨询+回访)预约管理系统
云约CRM微信小程序APP系统定制开发
云约CRM体检自定义出号预约管理系统
云约CRM云诊所系统,云门诊,医疗预约音视频在线问诊预约系统
云约CRM新版美容微信预约系统门店版_门店预约管理系统
云约CRM最新ThinkPHP6通用行业的预约小程序(诊所挂号)系统联系电话:18300931024
在线QQ客服:616139763
官方微信:18300931024
官方邮箱: 616139763@qq.com